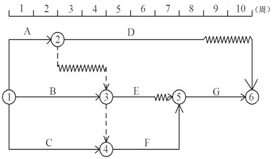
<p>某工程时标网络图如下图所示。计划执行到第5周检查实际进度。发现D工作需要3周完成,E工作需1周完成,F工作刚刚开始。由此可

分类: 造价管理 发布时间: 2023-11-02 22:08 浏览量: 2

某工程时标网络图如下图所示。计划执行到第5周检查实际进度。发现D工作需要3周完成,E工作需1周完成,F工作刚刚开始。由此可以判断出( )。

A.A、B、C工作均已提前完成

B.D工程按计划进行

C.E工作提前1周

D.F工作进度不影响总工期

E.总工期需延长1周

正确答案是BE