首页
>
(设备安装施工)专业管理实务/岗位知识
> 题目详情
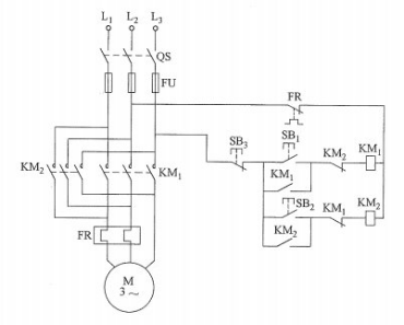
<p>阅读下图后回答问题: 图中,控制电路的电压为() <img alt="" src="https://learnfile
分类: (设备安装施工)专业管理实务/岗位知识
发布时间: 2023-11-02 23:43
浏览量: 2
阅读下图后回答问题: 图中,控制电路的电压为()
A.36V
B.110v
C.220V
D.380v
正确答案是D
← 返回分类
返回首页 →
相关题目
()可以清楚地表示某一部分管道的详细结构尺寸。
通风空调施工图一般有两大部分组成,()与图纸部分。
气流稳定的断面选择在产生局部阻力的弯头三通等部件引起涡流的部位后顺气流方向圆形风管()倍直径或矩形风管大边长度尺寸处。
空调施工图基本上用()表述回水管。
以下各项不属于排水系统的是()
↑