<p>【试题要求】 1.任务描述 根据《屋面工程技术规范》的要求,按经济合理的原则在钢筋混凝土屋面板上绘制4个屋面构造节点(

分类: 建筑技术设计(作图题) 发布时间: 2023-11-02 23:59 浏览量: 1

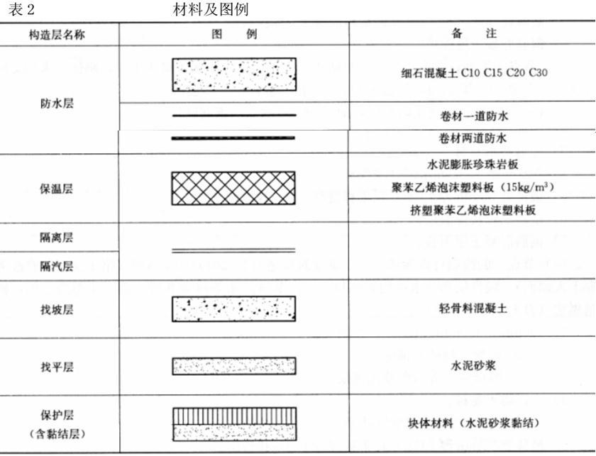
【试题要求】 1.任务描述 根据《屋面工程技术规范》的要求,按经济合理的原则在钢筋混凝土屋面板上绘制4个屋面构造节点(要求绘制比例为1:5),各节点均做建筑找坡,不考虑表面装饰层。 2.制图要求 (1)在4个节点中根据表1的要求按材料及图例绘出屋面构造层次(在图1上作答),标注构造层名称,注明卷材防水层的设防道数。 3.材料及图例(表2)

详见图 2。