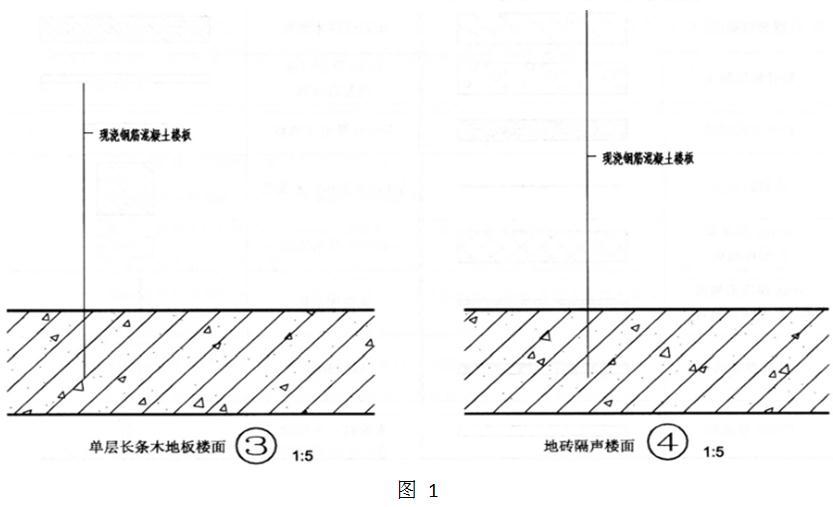
<p>【试题要求】 1.任务描述 绘制下列(下表)各种楼面建筑构造做法详图(在图1上作答),做法应满足功能要求且经济合理。

分类: 建筑技术设计(作图题) 发布时间: 2023-11-02 23:59 浏览量: 0

【试题要求】 1.任务描述 绘制下列(下表)各种楼面建筑构造做法详图(在图1上作答),做法应满足功能要求且经济合理。 2.任务要求 (1)选用图例按比例绘制各详图,所用主要材料不得超出下列图例范围。 (2)注出每层材料做法、厚度(防水层、素水泥浆不计入厚度)。 (3)根据作图,完成本题的作图选择题。 3.图例(根据需要选用,见下表)

详见图 2。