首页
>
建筑技术设计(作图题)
> 题目详情
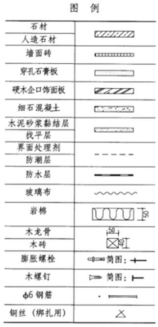
<p>任务说明 按题目要求和图例所示的材料绘出不同室内墙体的内墙饰面构造做法,并注明材料名称。制图比例1:5。 <img a
分类: 建筑技术设计(作图题)
发布时间: 2023-11-02 23:59
浏览量: 1
任务说明 按题目要求和图例所示的材料绘出不同室内墙体的内墙饰面构造做法,并注明材料名称。制图比例1:5。
参考作图提示
← 返回分类
返回首页 →
相关题目
<p>【试题要求】 1.任务说明 图示为4个地下室防水构造剖面节点(图1)。根据现行规范和国家标准图集的要求,不考虑保温,按
使用A型橡胶止水带的节点是:() A.节点①、节点② B.节点①、节点④ C.节点① D.节点②
使用B型橡胶止水带的节点是:() A.节点①、节点② B.节点②、节点④ C.节点① D.节点④
使用C型橡胶止水带的节点是:() A.节点①、节点④ B.节点②、节点④ C.节点② D.节点④
使用遇水膨胀止水条的节点是:() A.节点①、节点② B.节点②、节点③ C.节点① D.节点②
↑