首页
>
基础知识(水利水电)
> 题目详情
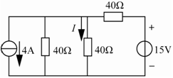
<p>已知电路如图所示,其中,相应电流I在电压源单独作用时的分量为( )。 <img alt="" src="https:/
分类: 基础知识(水利水电)
发布时间: 2023-11-03 00:15
浏览量: 0
已知电路如图所示,其中,相应电流I在电压源单独作用时的分量为( )。
A.0、375A
B.0、25A
C.0、125A
D.0、1875A
正确答案是C
← 返回分类
返回首页 →
相关题目
<p>设向量α与向量β的夹角θ=π/3,模|α|=1,|β|=2,则模|α+β|等于( ) <img alt="" sr
<img alt="" src="https://learnfile.20230611.cn/learnAppQuestion/
<p>当机械波在媒质中传播,一媒质质元的最大形变量发生在( )。 <img alt="" src="https://le
<img alt="" src="https://learnfile.20230611.cn/learnAppQuestion/
<img alt="" src="https://learnfile.20230611.cn/learnAppQuestion/
↑