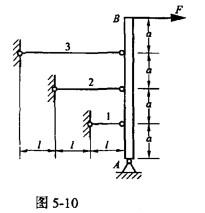
<p>铅直的刚性杆AB上铰接着三根材料相同,横截面面积相同,相互平行的水平等直杆,其长度分别为l、2l和3l,如图5-10所示。

分类: 电气工程师公共基础(基础考试) 发布时间: 2023-11-03 00:20 浏览量: 0

铅直的刚性杆AB上铰接着三根材料相同,横截面面积相同,相互平行的水平等直杆,其长度分别为l、2l和3l,如图5-10所示。今在B端作用一水平的集中力F,若以FN1、FN2、FN3和ε1、ε2、ε3分别表示杆1、2、3的轴力和应变值,给定以下四种情况,正确的为()

A.A

B.B

C.C

D.D

正确答案是A