某厂根据负荷发展需要,拟新建一座110/10kV变电站,用于厂区内10kV负荷的供电,变电所基本情况如下: 1)电源取自地区110kV电网(无限大电源容量)。 2)主变釆用两台容量为31.5MV.A三相双绕组自冷有载调压变压器,户外布置。变压器高、低压侧均釆用架空套管进线。 3)每台变压器低压侧配置2组10kV并联电容器,每组容量为2400kvar;用单星形接线,配12%干式空芯电抗器,选用无重燃的真空断路器进行投切。
A.4)110kV设备釆用GIS户外布置,10kV设备釆用中置柜户内双列布置。
B.5)变电站接地网水平接地极釆用令20热镀锌圆钢,垂直接地极釆用L50x50x5 热镀锌角钢;接地网埋深0.8m,按下图敷设。
C.
D.
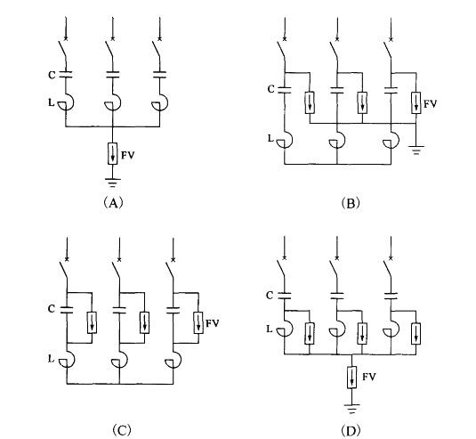
当需要限制电容器极间和电源侧对地过电压时,10kV并联电容器组过电压可采用哪一个图的接线方式? ( )
正确答案是D