<p>某建筑物釆用TN-C-S系统供电,建筑物地下室设有与大地绝缘的防水层。PEN线进户后即分为PE线和N线,并打人工接地极将P

分类: 电气工程师供配电专业 发布时间: 2023-11-03 00:24 浏览量: 0

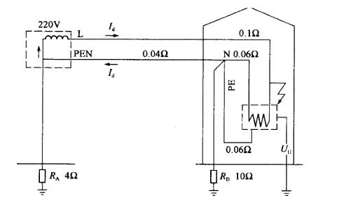
某建筑物釆用TN-C-S系统供电,建筑物地下室设有与大地绝缘的防水层。PEN线进户后即分为PE线和N线,并打人工接地极将PE线重复接地。变电所系统接地RA和建筑物重复接地RB阻值分别为4Ω及10Ω。各段线路的电阻值如下图所示,为简化计算可忽略工频条件下的回路导体电抗和变压器电抗。 请回答下列问题。 在上题的条件下,当设备A发生接地故障时,下列哪一种措施无法防止在设备B处发生电击事故?()

A.在设备B的配电线路上装用RCD

B.另引其他专用电源给设备B供电(设备A与B之间无PE线连接)

C.给设备B另做接地以局部TT系统供电

D.给设备B经隔离变压器供电,不接PE线

正确答案是A