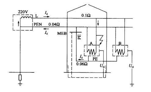
某建筑物釆用TN-C-S系统供电,建筑物地下室设有与大地绝缘的防水层。PEN线进户后即分为PE线和N线,并打人工接地极将PE线重复接地。变电所系统接地RA和建筑物重复接地RB阻值分别为4Ω及10Ω。各段线路的电阻值如下图所示,为简化计算可忽略工频条件下的回路导体电抗和变压器电抗。
请回答下列问题。
若建筑物引出线路给户外电气设备B供电,如下图所示,当设备A发生接地故障时,不仅在设备A处出现预期接触电压Ut2,在设备B处也出现预期接触电压Ut3,试计算此Ut3值为下列哪一项数值?()

A.110V
B.100V
C.120V
D.80V
正确答案是A