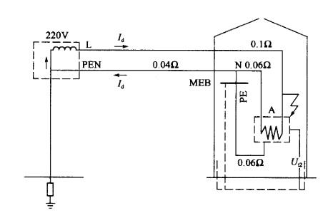
某建筑物釆用TN-C-S系统供电,建筑物地下室设有与大地绝缘的防水层。PEN线进户后即分为PE线和N线,并打人工接地极将PE线重复接地。变电所系统接地RA和建筑物重复接地RB阻值分别为4Ω及10Ω。各段线路的电阻值如下图所示,为简化计算可忽略工频条件下的回路导体电抗和变压器电抗。
请回答下列问题。
若在该建筑物不做重复接地而改为总等电位联结,各线段的电阻值如下图所示,试计算做总等电位联结后设备A处发生接地故障时的预期接触电压值应为下列哪一项数值?()

A.110V
B.88V
C.66V
D.44V
正确答案是C