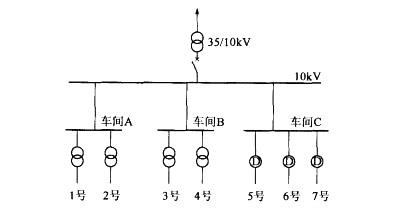
<p>某电力用户有若干10kV车间变电所,供电系统见下图,给定条件如下: 1)35kV线路电源侧短路容量无限大。 2)35/

分类: 电气工程师供配电专业 发布时间: 2023-11-03 00:24 浏览量: 3

某电力用户有若干10kV车间变电所,供电系统见下图,给定条件如下: 1)35kV线路电源侧短路容量无限大。 2)35/10kV变电所10kV母线短路容量104MV.A。 3)车间 A、B和C变电所10kV母线短路容量分别为102MV. A、100MV. A、99MV.A。 4)车间B变电所3号变压器容量630kV. A、额定电压10/0.4kV(Y,yn0接线), 其低压侧母线单相接地稳态接地电流为5000A。 5)35/10kV变电站向车间A馈电线路所设的主保护动作时间和后备保护动作时间分别为0s和0.5s。 6)如果35/10kV变电站10kV出线保护装置为速动,短路电流持续时间为0.2s。 若5号电动机为次要电动机、6号电动机为电源电压中断后生产工艺不允许自启动的电动机、7号电动机为需自启动的电动机。请分析说明三台电动机低电压保护动作时限依次为下列哪组数值?()

A.1s,2s,4s

B.7s,2s,0.5s

C.0.5s,ls,7s

D.4s,2s,ls

正确答案是C