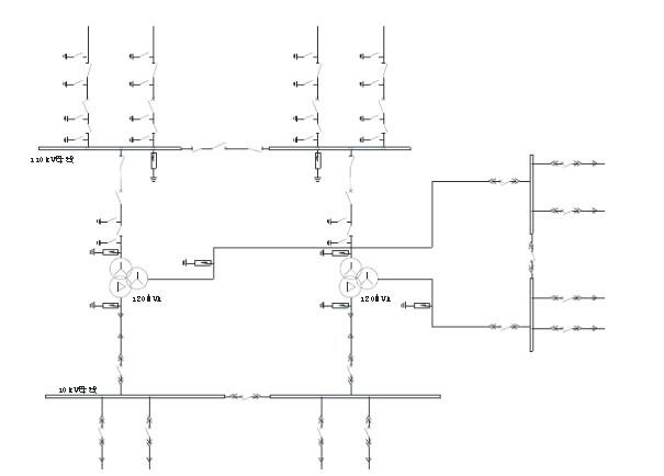
<p>某110kV变电所装有两台三卷变压器,额定容量为120/120/60MV A,额定电压110/35/10kV,阻抗为21

分类: 电气工程师发输变电专业 发布时间: 2023-11-03 00:26 浏览量: 0

某110kV变电所装有两台三卷变压器,额定容量为120/120/60MV A,额定电压110/35/10kV,阻抗为21?U=9.5%、31?U=28%、32?U=19%。主变110kV、35kV侧均为架空进线,110kV架空出线至2km之外的变电所(全线有避雷线),35kV和10kV为负荷线,10kV母线上装设有并联电容器组,其电气主接线图如下图所示。图中10kV配电装置距主变压器1km,主变10kV侧采用3×185铜芯电缆接10kV母线,电缆单位长度电阻为0.103Ω/km,电抗为0.069Ω/km。功率因数?cos=0.85。请回答下列问题。(计算题按最接近数值选项) 请计算图中110kV母线氧化锌避雷器最大保护的电气距离为下列哪项数值?(主变压器除外)

A.165m

B.223m

C.230m

D.310m

正确答案是D