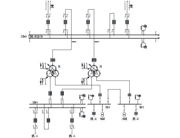
<p>某地区电网规划建设一座220kV变电所,电压为220/110/10kV,主接线如下图所示。请解答下列问题<img alt=

分类: 电气工程师发输变电专业 发布时间: 2023-11-03 00:26 浏览量: 3

某地区电网规划建设一座220kV变电所,电压为220/110/10kV,主接线如下图所示。请解答下列问题 本所35kV母线三相短路容量为700MVA,电容器组的串联电抗器的电抗率为5%,请计算发生三次谐波谐振的电容器容量是多少? A42.8MVar B74.3MVar C81.7MVar D113.2MVar

A.A

B.B

C.C

D.D

正确答案是A