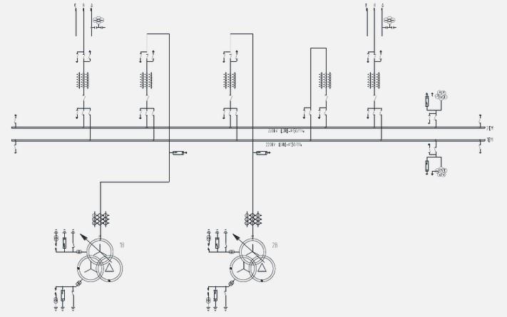
<p>建设在海拔2000米、污秽等级为Ⅲ级的220kV屋外配电装置,采用双母线接线,有2回进线,2回出线,均为架空线路。220k

分类: 电气工程师发输变电专业 发布时间: 2023-11-03 00:26 浏览量: 0

建设在海拔2000米、污秽等级为Ⅲ级的220kV屋外配电装置,采用双母线接线,有2回进线,2回出线,均为架空线路。220kV为有效接地系统,其主接线如图: 图中变压器中性点氧化锌避雷器持续运行电压和额定电压为哪个?

A.持续运行电压0.13Um,额定电压为0.17Um

B.持续运行电压0.45Um,额定电压为0.57Um

C.持续运行电压0.64Um,额定电压为0.8Um

D.持续运行电压0.58Um,额定电压为0.72Um

正确答案是B