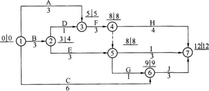
<p>某工程进度计划如下图所示(时间单位:天),图中的正确信息有()<img alt="" src="https://learn

分类: 目标控制(土木建筑) 发布时间: 2023-11-03 00:32 浏览量: 0

某工程进度计划如下图所示(时间单位:天),图中的正确信息有()

A.

关键节点组成的线路1—3—4—5—7为关键线路

B.

关键线路有两条

C.

工作E的自由时差为2天

D.

工作E的总时差为2天

E.

开始节点和结束节点为关键节点的工作A、工作C为关键工作

正确答案是BCD