<p>某单位工程为单层钢筋混凝土排架结构。监理工程师批准的施工网络计划如下图所示(图中持续时间单位为月)。该工程施工合同工期为1

分类: 监理案例分析(土木建筑) 发布时间: 2023-11-03 00:35 浏览量: 1

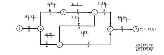
某单位工程为单层钢筋混凝土排架结构。监理工程师批准的施工网络计划如下图所示(图中持续时间单位为月)。该工程施工合同工期为18个月。合同中规定,土方工程全费用单价为16元/m3,土方工程量估计为22000m3,混凝土工程量估算为1800m3,全费用单价为320元/m3;当土方或混凝土的任何一项工程量超过该项原估计工程量的15%时,则超出部分的结算单价可进行调整,调整系数为0.9。在工程进行到第四个月时,业主方要求承包商增加一项工作K,经协商其持续时间为2个月,安排在C工作结束后、E工作开始前完成,其土方工程量为3500m3,混凝土工程量为200m3。 、原网络图中,该工程的工期是多少个月?在施工中应重点控制哪些工作?为什么? 、由于增加了K工作,承包方提出了顺延工期2个月的要求,该要求是否合理?监理工程师应签证批准顺延多少? 、由于增加了K工作,相应的工程量有所增加,承包方提出对增加工程量的结算费用为: 土方工程:3500×16=56000(元) 混凝土工程:200×320=64000(元) 合计120000元 你认为该费用是否合理?监理工程师对这笔费用应签证多少?

1.该项工程计算的施工工期为18个月,计算如下图所示(用标号法)。关键线路为①→②→④→⑥→⑦,关键工作为A、C、F、G等4项工作。在施工中应重点控制A、C、F、G等关键工作,因为它们决定了工期的长短,且无时间上的机动性(总时差等于零)。 2.增加了K工作后的网络计划及工期计算(用六时标注法)如下图所示。其计算工期为19个月,关键线路转移为①→②→④→⑤→⑥→⑦。 3.承包方要求顺延工期2个月不合理,因为增加的工作K实际影响总工期只有1个月(Tc’-Tc=19-18 =1)。所以监理工程师应签证批准顺延工期1个月。 4.增加结算费用120000元不合理。因为增加了K工作,使土方工程量增加了3500m3,已超过了原估计工程量22000m3的15%,故应进行价格调整,新增土方工程款为(22000×15%)×16+[3500-(22000×15%)]×16×0.9=3300×16+200×16×0.9=55680(元); 混凝土工程量增加了200m3,没有超过原估计工程量1800m3的15%,故仍按原单价计算。新增混凝土工程款为200×320=64000(元)。 监理工程师应签证的费用为55680+64000=119680(元)。