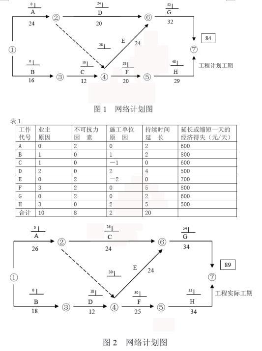
<p>某工程建设项目的施工计划如下图1所示。在施工过程中,由于业主直接原因、不可抗力因素和施工单位原因对各项工作的持续时间产生一

分类: 监理案例分析(交通工程) 发布时间: 2023-11-03 00:37 浏览量: 0

某工程建设项目的施工计划如下图1所示。在施工过程中,由于业主直接原因、不可抗力因素和施工单位原因对各项工作的持续时间产生一定的影响,其结果如下表1(正数为延长工作天数,负数为缩短工作天数),网络计划的计划工期为84天。由于工作的持续时间的,网络计划的实际工期为89天,如图2所示。 【问题】监理工程师应签证延长合同工期几天合理?为什么?(用网络计划图表示)

三、由非施工单位原因造成的工期延长应给予延期。考虑业主原因、不可抗力因素导致的延期作如下网络图签证顺延的工期为90-84=6(天)。