首页
>
工程项目组织与管理
> 题目详情
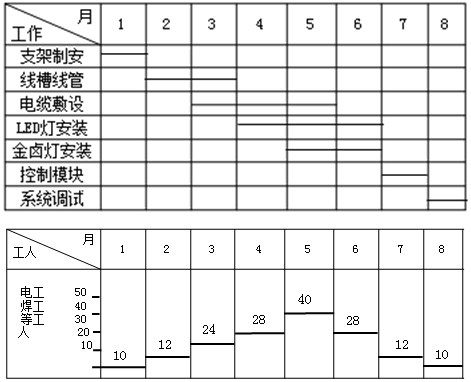
<p>某项目部分工作横道图和对应的劳动力计划图如下图所示,图中LED灯安装需要的工人数为()。 <img alt="" src
分类: 工程项目组织与管理
发布时间: 2023-11-03 00:42
浏览量: 0
某项目部分工作横道图和对应的劳动力计划图如下图所示,图中LED灯安装需要的工人数为()。
A.10
B.12
C.14
D.16
正确答案是D
← 返回分类
返回首页 →
相关题目
提出指标性目标属于工程项目周期()阶段的工作内容。
下列关于工程项目管理的客体说法,错误的是()。
永久基本农田转为建设用地的,由()批准。
下列征收集体土地中,属于应由国务院批准征收的有()
在大多数项目中,项目团队的人员吸纳必须通过商谈来解决,以下不属于这种方式的是()。
↑