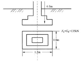
<p>柱基底面尺寸为1.2mX1.0m,作用于基础底面的偏心荷载Fk+Gk=135kN。当偏心距e为0.3m时,基础底面边缘的最

分类: 岩土专业知识 发布时间: 2023-11-03 00:47 浏览量: 0

柱基底面尺寸为1.2mX1.0m,作用于基础底面的偏心荷载Fk+Gk=135kN。当偏心距e为0.3m时,基础底面边缘的最大压力Pkmax,为()。

A.250kPa

B.275kPa

C.300kPa

D.325kPa

正确答案是C