首页
>
岩土基础知识
> 题目详情
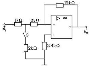
<p>电路如图所示,当开关S断开时,电路的运算关系是( )。 <img alt="" src="https://learnf
分类: 岩土基础知识
发布时间: 2023-11-03 00:50
浏览量: 1
电路如图所示,当开关S断开时,电路的运算关系是( )。
A.u0=-6ui
B.u0=-4ui
C.u0=5ui
D.u0=9ui
正确答案是B
← 返回分类
返回首页 →
相关题目
<img alt="" src="https://learnfile.20230611.cn/learnAppQuestion/
<img alt="" src="https://learnfile.20230611.cn/learnAppQuestion/
<img alt="" src="https://learnfile.20230611.cn/learnAppQuestion/
<p>过坐标原点作曲线y=lnx的切线,该切线与曲线y=lnx及x轴围成平面图形D。D的面积A和D绕直线x=e旋转一周所得旋转体
<img alt="" src="https://learnfile.20230611.cn/learnAppQuestion/
↑