首页
>
岩土基础知识
> 题目详情
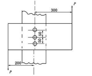
<p>如图所示结构由三个横截面积为A的铆钉连接两块钢板而成,图中尺寸均为mm,则铆钉的最大剪应力为( )。 <img alt
分类: 岩土基础知识
发布时间: 2023-11-03 00:50
浏览量: 0
如图所示结构由三个横截面积为A的铆钉连接两块钢板而成,图中尺寸均为mm,则铆钉的最大剪应力为( )。
A.A
B.B
C.C
D.D
正确答案是A
← 返回分类
返回首页 →
相关题目
<img alt="" src="https://learnfile.20230611.cn/learnAppQuestion/
<img alt="" src="https://learnfile.20230611.cn/learnAppQuestion/
<img alt="" src="https://learnfile.20230611.cn/learnAppQuestion/
<p>过坐标原点作曲线y=lnx的切线,该切线与曲线y=lnx及x轴围成平面图形D。D的面积A和D绕直线x=e旋转一周所得旋转体
<img alt="" src="https://learnfile.20230611.cn/learnAppQuestion/
↑