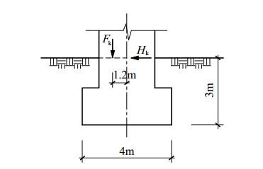
<p>某构筑物其基础底面尺寸为3mX4m,埋深为3m,基础及其上土的平均重度为20kN/m3,构筑物传至基础顶面的偏心荷载Fk=

分类: 岩土专业案例 发布时间: 2023-11-03 00:50 浏览量: 0

某构筑物其基础底面尺寸为3mX4m,埋深为3m,基础及其上土的平均重度为20kN/m3,构筑物传至基础顶面的偏心荷载Fk=1200kN,距基底中心1.2m,水平荷载Hk=200kN,作用位置如图所示。试问,基础底面边缘的最大压力值pkmax,与下列何项数值最为接近?

A.265kPa

B.341kPa

C.415kPa

D.454kPa

正确答案是D