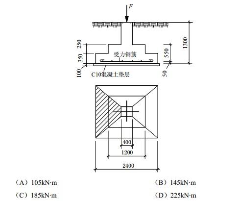
<p>如图示(图中单位为mm),某建筑采用柱下独立方形基础,基础底面尺寸为2.4mX2.4m,柱截面尺寸为0.4mX0.4m。基

分类: 岩土专业案例 发布时间: 2023-11-03 00:50 浏览量: 0

如图示(图中单位为mm),某建筑采用柱下独立方形基础,基础底面尺寸为2.4mX2.4m,柱截面尺寸为0.4mX0.4m。基础顶面中心处作用的柱轴竖向力为F=700kN,力矩M=0,根据《建筑地基基础设计规范》(GB50007-2002),试问基础的柱边截面处的弯矩设计值最接近于下列何项数值?

A.A

B.B

C.C

D.D

正确答案是A