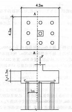
<p>如图所示,竖向荷载设计值F=24000kN,承台混凝土为C40(fc=19.1MPa),按《建筑桩基技术规范》(JGJ94

分类: 岩土专业案例 发布时间: 2023-11-03 00:50 浏览量: 1

如图所示,竖向荷载设计值F=24000kN,承台混凝土为C40(fc=19.1MPa),按《建筑桩基技术规范》(JGJ94-2008)验算柱边A-A至桩边连线形成的斜截面的抗剪承载力与剪切力之比(抗力/V)最接近下列哪个选项?

A.1.0

B.1.2

C.1.3

D.1.4

正确答案是C