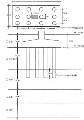
<p>某桩基工程安全等级为二级,其桩型平面布置、剖面和地层分布如图所示,土层物理力学指标见表,己知复合基桩承台底地基土相应于任何

分类: 岩土专业案例 发布时间: 2023-11-03 00:50 浏览量: 1

某桩基工程安全等级为二级,其桩型平面布置、剖面和地层分布如图所示,土层物理力学指标见表,己知复合基桩承台底地基土相应于任何复合基桩的总极限阻力标准值为472kN,各群桩效应系数分别为ηa=0.8、ηp=1.32、ηc=0.26,各抗力分项系数分别为γa=γp=γc=1.65,按《建筑桩基技术规范》(JGJ94-94)计算,复合基桩的竖向承载力设计值,其计算结果最接近下列哪个选项?()

A.A

B.B

C.C

D.D

正确答案是C