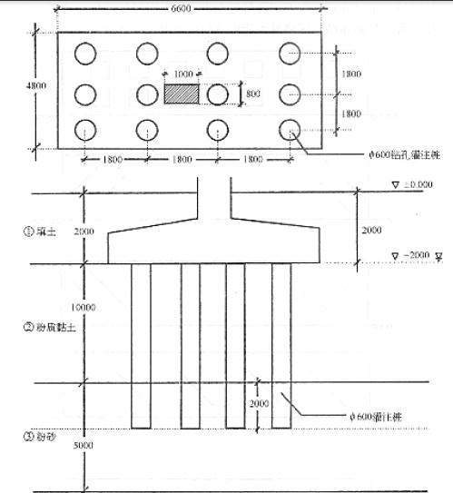
<p>某桩基工程安全等级为二级,其桩型平面布置、剖面及地层分布如图所示,土层物理力学指标见表,按《建筑桩基技术规范》(JGJ94

分类: 岩土专业案例 发布时间: 2023-11-03 00:51 浏览量: 1

某桩基工程安全等级为二级,其桩型平面布置、剖面及地层分布如图所示,土层物理力学指标见表,按《建筑桩基技术规范》(JGJ94-94)计算群桩呈整体破坏与非整体破坏的基粧的抗拔极限承载力标准值比值(Ugk/Uk),其计算结果最接近下列哪个选项?()

A.A

B.B

C.C

D.D

正确答案是A