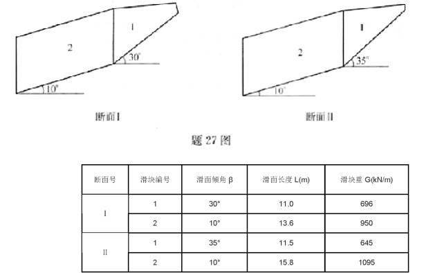
<p>根据勘察资料,某滑坡体正好处于极限平衡状态,稳定系数为1.0,其两组具有代表性的断面数据如下: <img alt=""

分类: 岩土专业案例 发布时间: 2023-11-03 00:51 浏览量: 0

根据勘察资料,某滑坡体正好处于极限平衡状态,稳定系数为1.0,其两组具有代表性的断面数据如下: 试用反分析法求得滑动面的黏聚力c和内摩擦角甲最接近下列()组数值。(计算方法采用下滑力和抗滑力水平分力平衡法)

A.c=8.0kPa;φ=14°

B.c=8.0kPa;φ=11°

C.c=6.0kPa;φ=11°

D.c=6.0kPa;φ=14°

正确答案是B