首页
>
岩土专业案例
> 题目详情
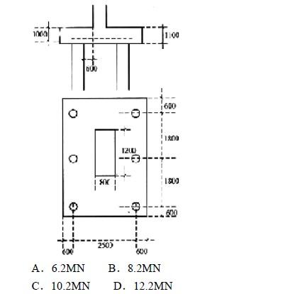
<p>柱下桩基如图:承台混凝土抗压强度fe=19.1MPa;按《建筑粧基技术规范》(JGJ94-94)计算承台长边受剪承载力,其
分类: 岩土专业案例
发布时间: 2023-11-03 00:51
浏览量: 0
柱下桩基如图:承台混凝土抗压强度fe=19.1MPa;按《建筑粧基技术规范》(JGJ94-94)计算承台长边受剪承载力,其值与()最接近。
A.A
B.B
C.C
D.D
正确答案是D
← 返回分类
返回首页 →
相关题目
某港口工程中测得淤泥性土的天然含水率为45,相对密度为2.55,塑性指数为19,该淤泥性土的为( )。
某工程场地为软土地基,采用CFG桩复合地基处理,桩径d=0.5m,按正三角形布桩,桩距s=1.1m,桩长l=15m,单桩承载力发
某场地拟建六层住宅,经岩土工程勘察,已知该场地地基为第四纪全新世冲积层,由上至下依次分为5层: (1)素填土,天然重度γ1=1
某取土器管靴外径及取土管外径均为108mm,管靴刃口内径为102mm,取土管内径为103mm,据《岩土工程勘察规范》(GB500
某建筑场地的土层为杂填土、粉土和粉质黏土,相应的厚度分别为1m、6m和4m,水平向的渗透系数分别为1m/d、4m/d和2m/d。
↑