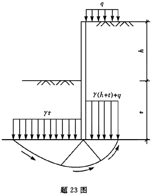
<p>当基坑土层为软土时,应验算坑底土抗隆起稳定性。如图,已知基坑开挖深度A=5m,基坑宽度较大,深宽比略而不计。支护结构入土深

分类: 岩土专业案例 发布时间: 2023-11-03 00:51 浏览量: 1

当基坑土层为软土时,应验算坑底土抗隆起稳定性。如图,已知基坑开挖深度A=5m,基坑宽度较大,深宽比略而不计。支护结构入土深度t=5m,坑侧地面荷载q=20kPa,土的重度γ=18kN/m3,黏聚力为10kPa,内摩擦角φ=10°,不考虑地下水的影响。如果取承载力系数Nc=5.14,Nq=1.0,则抗隆起的安全系数F满足的关系式为()。

A.AF<1.0

B.B1.0≤F<1.6

C.CF≥1.6

D.D条件不够,无法计算

正确答案是A