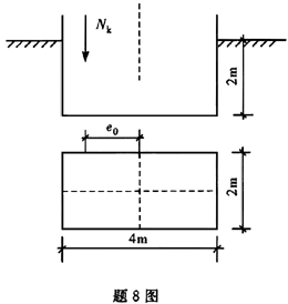
<p>已知基础底面尺寸为4m×2m,在基础顶面受偏心荷载500kN,偏心距1.0m,基础容重为20kN/m3,基础埋深2m,如下

分类: 岩土专业案例 发布时间: 2023-11-03 00:51 浏览量: 1

已知基础底面尺寸为4m×2m,在基础顶面受偏心荷载500kN,偏心距1.0m,基础容重为20kN/m3,基础埋深2m,如下图,则基底边缘最大压力为()kPa。

A.A239.77

B.B146.20

C.C119.88

D.D196.60

正确答案是D