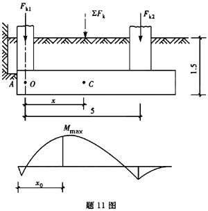
<p>某柱下联合基础,作用在柱上的荷载效应标准值Fk1=1000kN,Fk2=1500kN,地基承载力特征值fa=190kPa,

分类: 岩土专业案例 发布时间: 2023-11-03 00:51 浏览量: 0

某柱下联合基础,作用在柱上的荷载效应标准值Fk1=1000kN,Fk2=1500kN,地基承载力特征值fa=190kPa,柱尺寸0.3m×0.3m,如图所示。则基础的尺寸和基础截面最大负弯矩分别为()。

A.A6.3m×2.5m,-1498.5kN

B.B6.3m×2.5m,-1562.5kN

C.C5.0m×2.5m,-1498.5kN

D.D5.0m×2.5m,-1562.5kN

正确答案是A