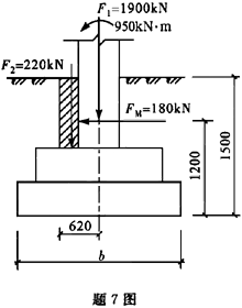
<p>某有吊车的厂房柱基础,各项荷载设计值及深度尺寸如图所示。地基土为黏土,重度γ=19.0kN/m3,fak=203kPa,孔

分类: 岩土专业案例 发布时间: 2023-11-03 00:51 浏览量: 0

某有吊车的厂房柱基础,各项荷载设计值及深度尺寸如图所示。地基土为黏土,重度γ=19.0kN/m3,fak=203kPa,孔隙比e=0.84,w=30%,wL=36%,wp=23%,则矩形基础的面积最接近()。

A.10.4m2

B.8m2

C.15m2

D.18m2

正确答案是C