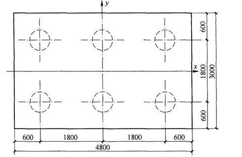
<p>某一桩基传至柱底(标高-0.5m处)长期效应组合的荷载值为F=4000kN,M=1000kN·m,H=800kN,其他数根

分类: 岩土专业案例 发布时间: 2023-11-03 00:51 浏览量: 0

某一桩基传至柱底(标高-0.5m处)长期效应组合的荷载值为F=4000kN,M=1000kN·m,H=800kN,其他数根据如图3所示,建筑安全等级为二级,采用桩径为600mm的混凝土预制桩,试按《建筑桩基技术规范》(JGJ94—2008)规定的方法计算该桩基础的沉降量。桩基最终沉降量最接近于(  )mm。

A.3.8

B.8.1

C.16.3

D.35.2

正确答案是A