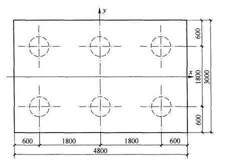
<p>某一桩基传至柱底(标高-0.5m处)长期效应组合的荷载值为F=9000kN,M=1800kN·m,H=800kN,其它数根

分类: 岩土专业案例 发布时间: 2023-11-03 00:51 浏览量: 2

某一桩基传至柱底(标高-0.5m处)长期效应组合的荷载值为F=9000kN,M=1800kN·m,H=800kN,其它数根据如图4所示,建筑安全等级为一级,采用桩径为500mm×500mm的混凝土预制桩,试按《建筑桩基技术规范》(JGJ94—2008)规定的方法计算该桩基础的沉降量。桩基的最终沉降量计算结果与下列(  )mm接近。

A.12

B.24

C.36

D.48

正确答案是C