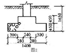
<p>墙下条形基础如图2所示。在±0.00标高处的轴力标准值F=400kN/m,埋深2.65m,室内外高差0.45m,修正后的地

分类: 岩土专业案例 发布时间: 2023-11-03 00:51 浏览量: 2

墙下条形基础如图2所示。在±0.00标高处的轴力标准值F=400kN/m,埋深2.65m,室内外高差0.45m,修正后的地基承载力特征值fa=160kN/m2,基础底部采用混凝土基础,H0=300mm,其上采用毛石混凝土基础,墙身厚360mm,则毛石混凝土高度至少应为(  )m。

A.1.74

B.1.84

C.1.94

D.2.04

正确答案是B