首页
>
(结构) 基础考试一级
> 题目详情
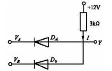
<p>电路如图所示,设D A、DB为理想二极管,当VA=3V,VR=6V时,I等于( )mA。 <img alt="" s
分类: (结构) 基础考试一级
发布时间: 2023-11-03 00:54
浏览量: 0
电路如图所示,设D A、DB为理想二极管,当VA=3V,VR=6V时,I等于( )mA。
A.1.5
B.2
C.3
D.4
正确答案是C
← 返回分类
返回首页 →
相关题目
<p>1.设直线L的方程为 <img alt="" src="https://learnfile.20230611.cn/le
<p>平行于x轴且经过点(4,0,-2)和点(2,1,1)的平面方程是( )。 <img alt="" src="https
<p>下列关于曲面方程的结论中,错误的是( )。 <img alt="" src="https://learnfile.20
<img alt="" src="https://learnfile.20230611.cn/learnAppQuestion/
<img alt="" src="https://learnfile.20230611.cn/learnAppQuestion/
↑