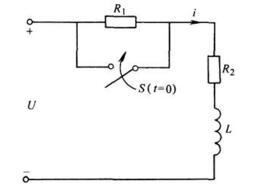
<p>电路如图所示,已知:U=30V,R1=10Ω,R2=20Ω,L=1 H,稳定状态下闭合开关S将R1短路,短路后经过(  

分类: (结构) 基础考试一级 发布时间: 2023-11-03 00:54 浏览量: 0

电路如图所示,已知:U=30V,R1=10Ω,R2=20Ω,L=1 H,稳定状态下闭合开关S将R1短路,短路后经过(  )s电流i达到1.2A。

A.0.017

B.0.026

C.0.051

D.0.076

正确答案是B