首页
>
(结构) 基础考试一级
> 题目详情
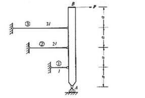
结构受力如图所示,各杆EA相同,若以N1、N2、N3和
分类: (结构) 基础考试一级
发布时间: 2023-11-03 00:54
浏览量: 2
结构受力如图所示,各杆EA相同,若以N1、N2、N3和
A.
B.分别表示杆①、②、③的轴力和纵向线应变,则下列结论中正确的是( )。
C.
D.
正确答案是A
← 返回分类
返回首页 →
相关题目
<p>1.设直线L的方程为 <img alt="" src="https://learnfile.20230611.cn/le
<p>平行于x轴且经过点(4,0,-2)和点(2,1,1)的平面方程是( )。 <img alt="" src="https
<p>下列关于曲面方程的结论中,错误的是( )。 <img alt="" src="https://learnfile.20
<img alt="" src="https://learnfile.20230611.cn/learnAppQuestion/
<img alt="" src="https://learnfile.20230611.cn/learnAppQuestion/
↑