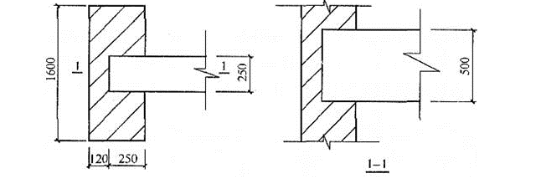
<p>某房屋窗间墙长1600mm,厚370mm,有一250mm×500mm的钢筋混凝土楼面梁支承在墙上,梁端实际支承长度为250

分类: (结构) 专业考试一级 发布时间: 2023-11-03 00:56 浏览量: 0

某房屋窗间墙长1600mm,厚370mm,有一250mm×500mm的钢筋混凝土楼面梁支承在墙上,梁端实际支承长度为250mm,如图所示。窗间墙采用MU15级烧结普通砖、M10混合砂浆砌筑。砌体施工质量控制等级为B级。 试问,梁端支承处砌体的局部受压承载力设计值(kN)与下列何项数值最为接近?

A.120

B.140

C.160

D.180

正确答案是A