<p>某<img alt="" src="https://learnfile.20230611.cn/learnAppQuest

分类: (结构) 专业考试一级 发布时间: 2023-11-03 00:56 浏览量: 0

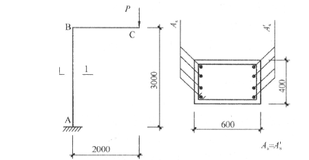
形普通钢筋混凝土构件,安全等级为二级,计算简图如图所示,梁、柱截面均为400mm×600mm,混凝土强度等级为C40,钢筋采用HRB400,as=as′=50mm,ξb=0.518。假定,不考虑地震设计状况,自重忽略不计。集中荷载设计值P=224kN,柱AB采用对称配筋。试问,按正截面承载力计算得出的柱AB单边受力钢筋As(mm2)与下列何项数值最为接近? 提示:(1)不考虑二阶效应; (2)不必验算平面外承载力和稳定。

A.2550

B.2450

C.2350

D.2250

正确答案是D