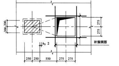
<p>某现浇钢筋混凝土楼板,板上有作用面为400mm×500mm的局部荷载,并开有550mm×550mm的洞口,平面位置示意如图

分类: (结构) 专业考试一级 发布时间: 2023-11-03 00:56 浏览量: 0

某现浇钢筋混凝土楼板,板上有作用面为400mm×500mm的局部荷载,并开有550mm×550mm的洞口,平面位置示意如图所示。 某混凝土设计强度等级为C30,其试验室配合比为:水泥;砂子;石子=1.00;1.88;3.69,水胶比为0.57。施工现场实测砂子的含水率为5.3%,石子的含水率为1.2%。试问,施工现场拌制混凝土的水胶比,取下列何项数值最为合适?(  )

A.0.42

B.0.46

C.0.50

D.0.53

正确答案是A