首页
>
(结构) 专业考试一级
> 题目详情
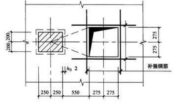
<p>某现浇钢筋混凝土楼板,板上有作用面为400mm×500mm的局部荷载,并开有550mm×550mm的洞口,平面位置示意如图
分类: (结构) 专业考试一级
发布时间: 2023-11-03 00:56
浏览量: 0
某现浇钢筋混凝土楼板,板上有作用面为400mm×500mm的局部荷载,并开有550mm×550mm的洞口,平面位置示意如图所示。
A.A
B.B
C.C
D.D
正确答案是B
← 返回分类
返回首页 →
相关题目
有关砖砌体结构设计原则的规定,下列说法中何种选择是正确的? Ⅰ.采用以概率理论为基础的极限状态设计方法。 Ⅱ.按承载能力极限
<p>一芬克式木屋架,几何尺寸及杆件编号如图5-11所示。处于正常环境,设计使用年限为25年。选用西北云杉TC11A制作。 <
<p>一芬克式木屋架,几何尺寸及杆件编号如图5-11所示。处于正常环境,设计使用年限为25年。选用西北云杉TC11A制作。 <
<p>某建筑物地基基础设计等级为乙级,其柱下桩基采用预应力高强度混凝土管桩(PHC桩),桩外径400mm,壁厚95mm,桩尖为敞
<p>某建筑物地基基础设计等级为乙级,其柱下桩基采用预应力高强度混凝土管桩(PHC桩),桩外径400mm,壁厚95mm,桩尖为敞
↑