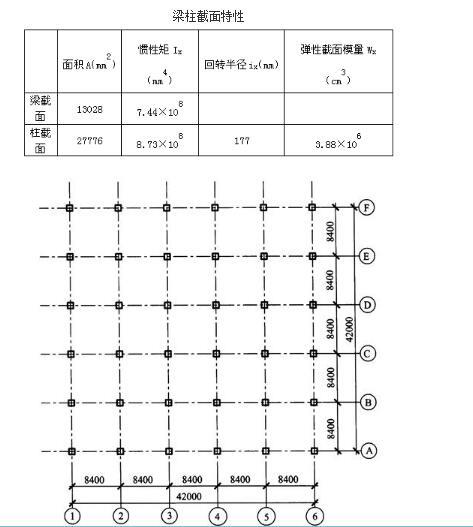
<p>某4层钢结构商业建筑,层高5m,房屋高度20m,抗震设防烈度8度,采用框架结构,布置如图所示。框架梁柱采用Q345。框架梁

分类: (结构) 专业考试一级 发布时间: 2023-11-03 00:56 浏览量: 0

某4层钢结构商业建筑,层高5m,房屋高度20m,抗震设防烈度8度,采用框架结构,布置如图所示。框架梁柱采用Q345。框架梁截面采用轧制型钢H600×200×11×17,柱采用箱形截面B450×450×16。梁柱截面特性如下: 假定,次梁采用钢与混凝土组合梁设计,施工时钢梁下不设临时支撑,试问,下列何项说法正确?(  )

A.混凝土硬结前的材料重量和施工荷载应与后续荷载累加由钢与混凝土组合梁共同承受

B.钢与混凝土使用阶段的挠度按下列原则计算:按荷载的标准组合计算组合梁产生的变形

C.考虑全截面塑性发展进行组合梁强度计算时,钢梁所有板件的板件宽厚比应符合《钢结构设计规范》(GB50017—2003)表9.1.4的规定

D.混凝土硬结前的材料重量和施工荷载应由钢梁承受

正确答案是D