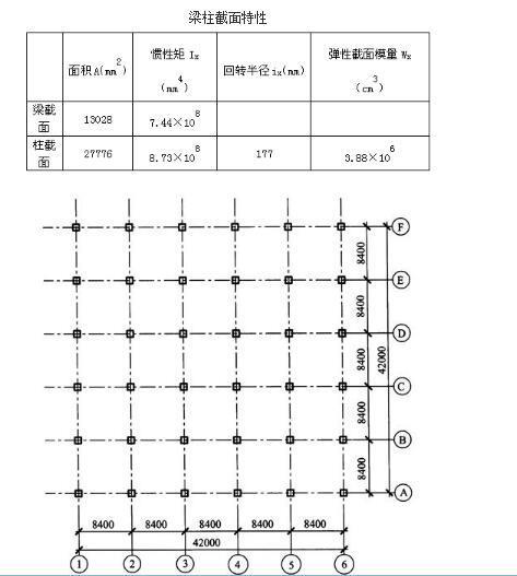
某4层钢结构商业建筑,层高5m,房屋高度20m,抗震设防烈度8度,采用框架结构,布置如图所示。框架梁柱采用Q345。框架梁截面采用轧制型钢H600×200×11×17,柱采用箱形截面B450×450×16。梁柱截面特性如下:
假定,框架梁拼接采用下图所示的栓焊节点,高强螺栓采用10.9级M22螺栓,连接板采用Q345
B,试问,下列何项说法正确?( )

A.图(a)、图(b)均符合螺栓孔距设计要求
B.图(a)、图(b)均不符合螺栓孔距设计要求
C.图(a)符合螺栓孔距设计要求
D.图(b)符合螺栓孔距设计要求
正确答案是D