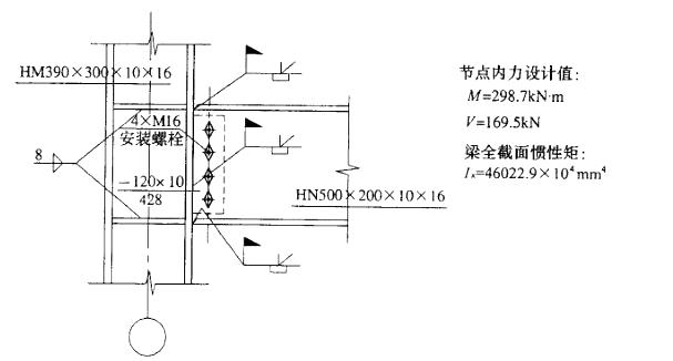
<p>非抗震的某梁柱节点,如图所示。梁柱均选用热轧H型钢截面,梁采用HN500x200x10x16(r=20),柱采用HM390

分类: (结构) 专业考试一级 发布时间: 2023-11-03 00:56 浏览量: 0

非抗震的某梁柱节点,如图所示。梁柱均选用热轧H型钢截面,梁采用HN500x200x10x16(r=20),柱采用HM390x300x10x16(r=24),梁、柱钢材均采用Q345B。主梁上、下翼缘与柱翼缘为全熔透坡口对接焊缝,采用引弧板和引出板施焊;梁腹板与柱为工地熔透焊,单侧安装连接板(兼作腹板焊接衬板),并采用4xM16工地安装螺栓。 梁柱节点采用全截面设计法,即弯矩由翼缘和腹板共同承担,剪力由腹板承担。试问,梁翼缘与柱之间全熔透坡口对接焊缝的应力设计值(N/mm2),应与下列何项数值最为接近? 提示:梁腹板和翼缘的截面惯性矩分别为Iwx=8541.9x104mm4,Ifx=37480.96x104mm4。

A.300.2

B.280.0

C.246.5

D.157.1

正确答案是D