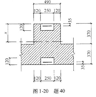
<p>一单层单跨有吊车厂房,平面如图1-18所示。采用轻钢屋盖,屋架下弦标高为6.0m。变截面砖柱采甩MUl0级烧结普通砖、Ml

分类: (结构) 专业考试一级 发布时间: 2023-11-03 00:56 浏览量: 0

一单层单跨有吊车厂房,平面如图1-18所示。采用轻钢屋盖,屋架下弦标高为6.0m。变截面砖柱采甩MUl0级烧结普通砖、Ml0级混合砂浆砌筑,砌体施工质量控制等级为B级。 假定,变截面柱采用砖砌体与钢筋混凝土面层的组合砌体,其下段截面如图1-20所示。混凝土采用C20(fc=9.6N/mm2),纵向受力钢筋采用HRB335,对称配筋,单侧配筋面积为763mm2。 试问,其偏心受压承载力设计值(kN)与下列何项数值最为接近? 提示:①不考虑砌体强度调整系数γa的影响; ②受压区高度x=315mm。

A.530

B.580

C.750

D.8

正确答案是A