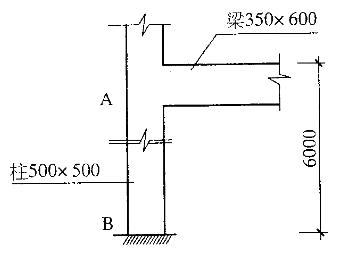
某框架结构,抗震等级为一级,底层角柱如图所示。考虑地震作用组合时按弹性分析未经调整的构件端部组合弯矩设计值为:柱:McA上=300kN*m,McA下=280kN*m(同为顺时针方向),柱底MB=320kN*m;梁:Mb=460kN.m。已知梁h0=560mm,as'=40mm,梁端顶面实配钢筋(HRB400级)面积AS=2281mm2(计入梁受压筋和相关楼板钢筋影响)。试问,该柱进行截面配筋设计时所采用的组合弯矩设计值(kN*m),与下列何项数值最为接近? 提示:按《建筑抗震设计规范》(GB50011-2010)作答。 (A)780
A.600
B.545
C.365
D.
正确答案是B