某多层现浇钢筋混凝土结构,设两层地下车库,局部地下一层外墙内移,如图3-5所示。已知:室内环境类别为一类,室外环境类别为二b类,混凝土强度等级均为C30。
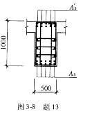
方案比较时,假定框架梁KL1截面及跨中配筋如图3-8所示。纵筋采用HRB400级钢筋,as=as'=70mm,跨中截面弯矩设计值M=880kNm,对应的轴向拉力设计值N=2200kN。试问,非抗震设计时,该梁跨中截面按矩形截面偏心受拉构件计算所需的下部纵向受力钢筋面积As(mm2),与下列何项数值最为接近?
提示:该梁配筋计算时不考虑上部墙体及梁侧腰筋的作用。
(A)2900
A.3500
B.5900
C.7100
D.
正确答案是D