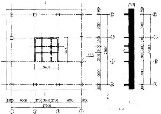
抗震设防烈度为6度的某高层钢筋混凝土框架核心筒结构,风荷载起控制作用,采用天然地基上的平板式筏板基础,基础平面如下图所示,核心筒的外轮廓平面尺寸为9.4mx9.4m,基础板厚2.6m(基础板有效高度按2.5m计)。
假定,荷载效应基本组合时,核心筒筏板冲切破坏锥体范围内基底的净反力平均值pn=435.9kN/m2,筒体作用于筏板顶面的竖向力为177500kN,作用在冲切临界面重心上的不平衡弯矩设计值为151150kN*m。试问,距离内筒外表面h0/2处冲切临界截面的最
大剪应力(N/mm2)与下列何项数值最为接近?提示:
A.0.74
B.0.85
C.0.95
D.1.10
正确答案是B